555 Timers

Definition

555 timers is the most beloved and used integrated circuits, used mainly for timing and waveform generation. It is used in blinking LEDs, PWM, and oscillator circuits.

Modes

It is defined as a “highly stable multivibrator circuit” - which means it is basically a circuit that can flip between 2 or more voltage stages in a controlled way. It has 3 modes:

  1. Monostable

In this mode, the circuit/timer acts like a stopwatch where you press and button and it gives you one timed pulse

  1. Astable

In this mode, 555 timer is like a blinking light - flipping on and off continuously.

  1. Bistable

The last mode is like a light switch. To toggle on or off, you have to do it manually.

Anatomy:

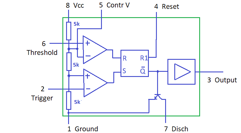
[Anatomy of a 555 timer from Circuit Basics]

Voltage divider: From the image you can see there are three 5k$\ohm$ resistors, hence the name 5-5-5. These resistors divide the power supply to 2/3 VCC and 1/3 VCC.

Two Comparators: They compare the voltages (Threshold voltage at pin 6 and Trigger Voltage at pin 2) and set/reset the output.

SR Flip-Flop: Memory element that controls the output state. The outputs from the comparator feeds into S and R inputs of the flip-flop.

Discharge capacitor: When values change from 1 to 0, the capacitor discharges the value.

Amplifier: The output of the SR flip flop also connect with an amplifier before going to the output pin.